為提高區域電網的供電能力,廣東電網有限責任公司梅州城區供電局擬實施梅州城區供電局2024年中低壓配電網基建項目—三角供電所新建10kV迎賓線P84梅南大院內公用箱變滿足光伏接入工程電力管道。
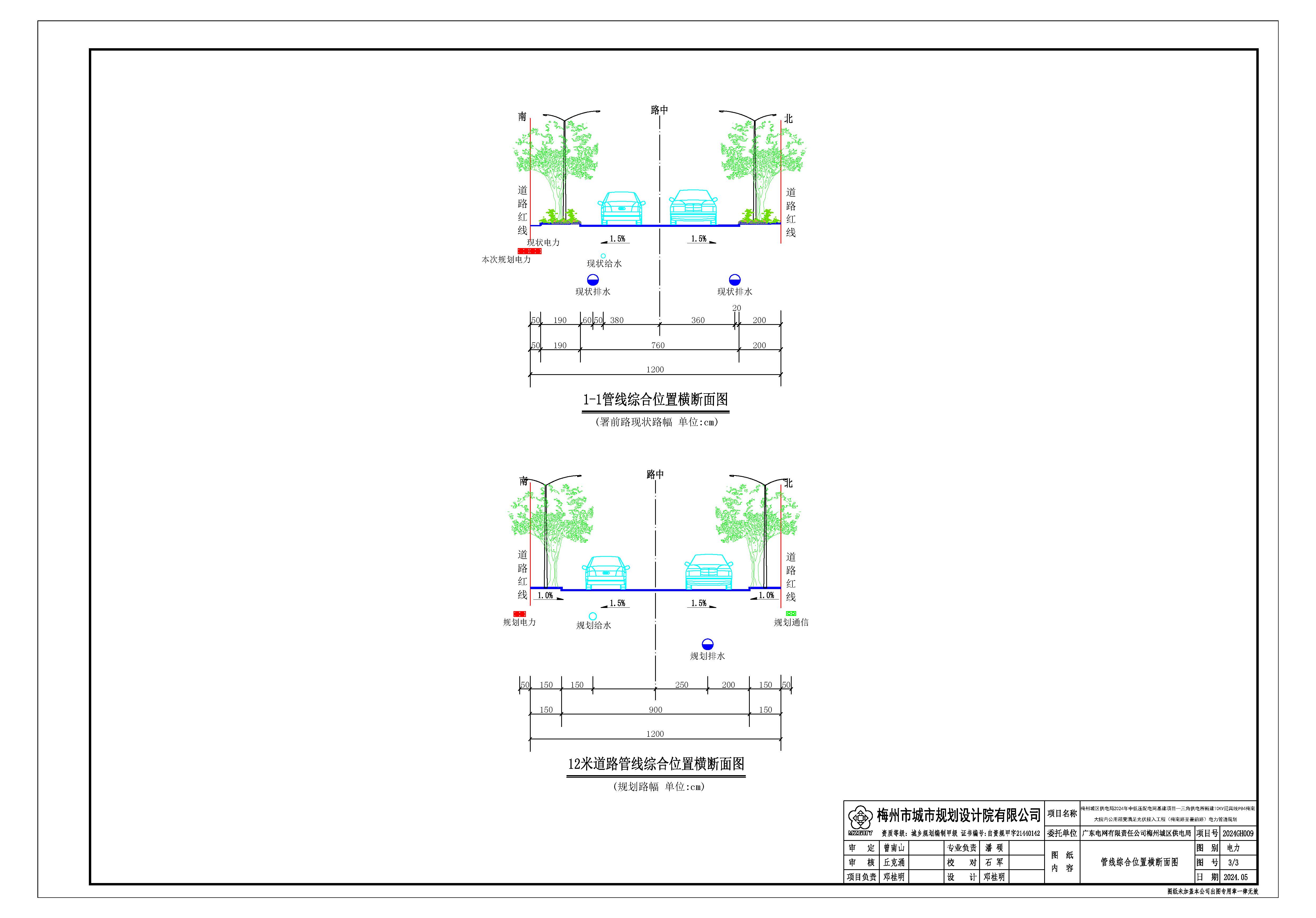
梅州城區供電局2024年中低壓配電網基建項目—三角供電所新建10kV迎賓線P84梅南大院內公用箱變滿足光伏接入工程電力管道總長約118米,位於梅南路至署前路,其中K0+000-K0+015段走梅南路東麵與原有電纜管道共溝敷設,K0+015-K0+118段走署前路南麵與原有電纜管道共溝敷設,具體位置詳見圖示坐標。要求電力管道覆土深度應不低於1.0米。按照《城鄉規劃法》的有關要求,在辦理《建設工程規劃許可證》前,應對項目進行批前公示,現將有關事項公示如下:
一、擬規劃方案具體詳見規劃許可批前公示圖。
二、公示期為10天,自2024年5月21日至5月31日。如對本規劃方案有異議,請在公示期內通過網上或信函、電話等方式反饋意見,有效的反饋意見必須包括反饋者的真實姓名、有效的聯係方式,並提供公示事項與其有利害關係的證明。逾期未提出異議,視作同意本方案。
公示地點:網上公示(網址://www.yyh998.com/zwgk/zfjg/szrzyj/)
經辦科室:市政規劃科
聯係電話:0753-2191306
E-mail:mzsszghk@meizhou.gov.cn
梅州市自然資源局
2024年5月21日


