網站首頁
亚博ap
政務公開
亚博网址链接
互動交流
亚博app下载ios
當前位置:
首頁
>
政務公開
>
通知公告
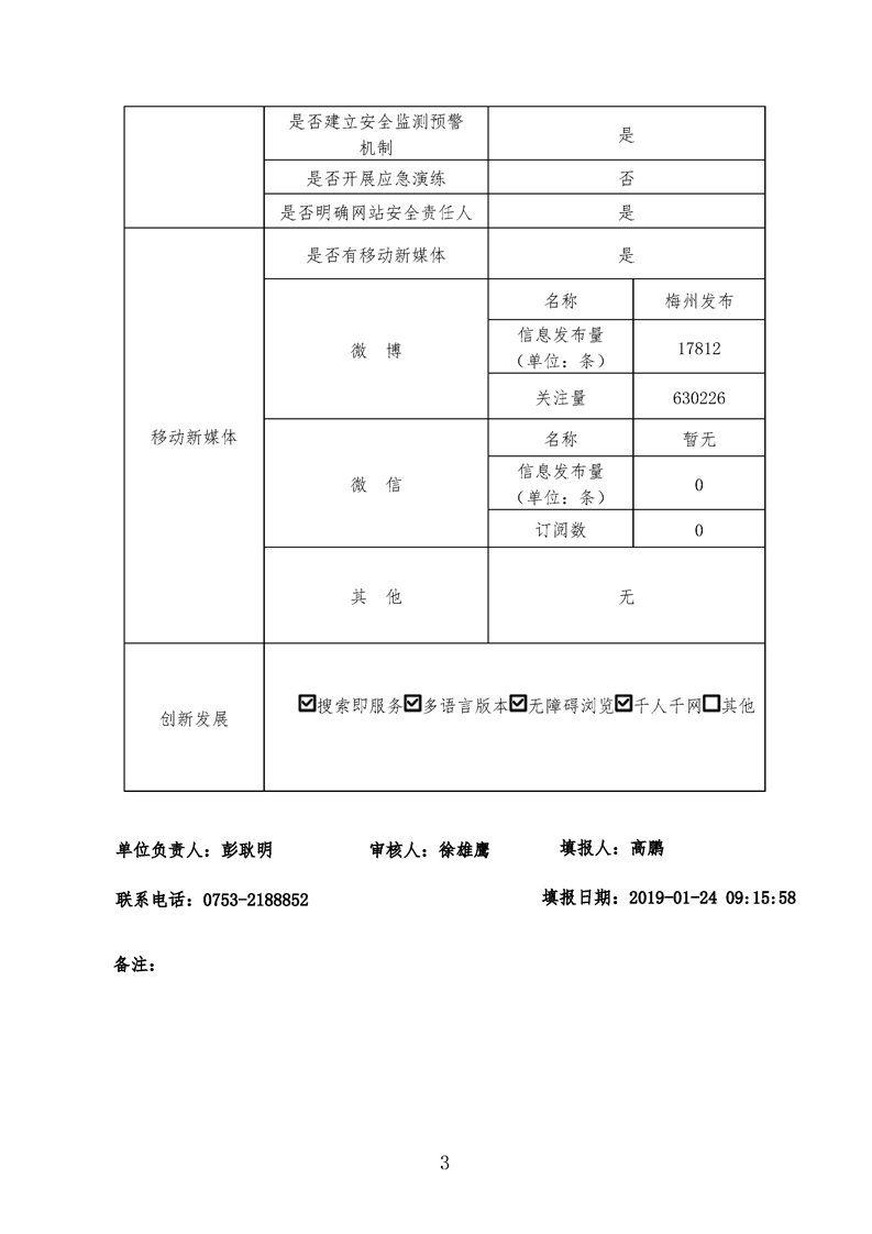
2018年度廣東亚博网址链接 網梅州市工作報表
來源:市府辦 時間:2019-01-30 09:38:40 瀏覽:
-
字號:
大
中
小
分享到: